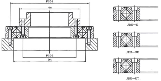
Перекрёстный роликовый подшипник серии JRU
- Наружный диаметр: 52 мм ~ 540 мм
- Номинальная нагрузка: 2.43 Кн ~ 473 Кн
Перекрестные роликовые подшипники серии JRU имеют цельное внутреннее кольцо и цельное наружное кольцо, которые оснащены монтажными отверстиями для стабильности установки. Цельное внутреннее и наружное кольца устраняют влияние установки на производительность подшипника и обеспечивают высокую точность хода (P0, P6, P5, P4, P2) и крутящий момент (P5, P4, P2). Перекрестные роликовые подшипники данной серии подходит для применения в условиях, когда вращаются внутреннее и наружное кольца.
Tags
ZZ — профессиональный производитель опорно-поворотных подшипников, мы разрабатываем и производим опорно-поворотные кольцевые подшипники, прецизионные подшипники, поворотные приводы и специальные подшипники для строительного, иженерного, горно-шахтного, судового оборудования, химической аппаратуры, военной техники, ветряных турбин, медицинского оборудования и многих других отраслей промышленности.
Благодаря команде экспертов, передовым производственным технологиям и строгой системе управления качеством, ZZ занимает лидирующие позиции в области исследований и разработок опорно-поворотных подшипников, а т.ч. на заказ, которые отличаются рациональной конструкцией, небольшим весом, хорошей грузоподъемностью и универсальностью. Диаметр подшипников варьируется от 200 до 15 000 мм, а точность соответствует классам P0, P6 и P5. На сегодняшний день ZZ может производить продукцию, сертифицированную по стандартам CCS, ABS, BV, GL и др.
В бизнесе ZZ придерживается принципа “Качество и целостность”, мы предоставляем качественные подшипники и оказываем услуги клиентам по всему миру.
Схожая продукция
- Перекрёстный роликовый подшипник серии JRA
- Перекрёстный роликовый подшипник серии JRB
- Перекрёстный роликовый подшипник серии JRE
- Перекрёстный роликовый подшипник серии JRU
- Перекрёстный роликовый подшипник серии JXSU
- Подшипник С Перекрестными Роликами, серия CRBH
- Подшипник С Перекрестными Роликами, серия CRBTF











