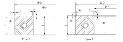
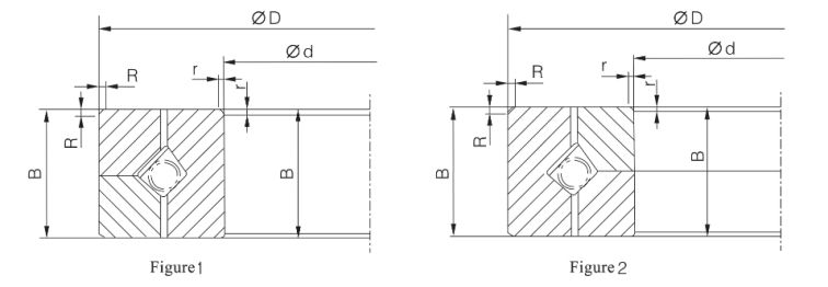
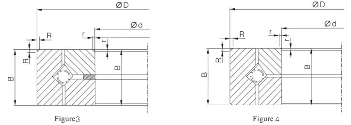
Конический подшипник с перекрёстными роликами
- Наружный диаметр: 230 мм ~ 2819.4 мм
- Номинальная нагрузка: 95 Кн ~ 18200 Кн
Конструкция конического подшипника позволяет повысить скорость вращения и снизить трение во время работы.
ПрименениеКонические подшипники с перекрёстными роликами обычно используются, когда необходимо снизить центр вращения массы и повысить скорость вращения при использовании, например, в прецизионных обрабатывающих центрах, вертикальных шлифовальных машинах, роторных плоских шлифовальных машинах, поворотных индексных столах, вертикальных токарных станках, зубофрезерных станках, токарно-револьверных станках, радиотелескопах, промышленных роботах и т.д.
Tags
ZZ — профессиональный производитель опорно-поворотных подшипников, мы разрабатываем и производим опорно-поворотные кольцевые подшипники, прецизионные подшипники, поворотные приводы и специальные подшипники для строительного, иженерного, горно-шахтного, судового оборудования, химической аппаратуры, военной техники, ветряных турбин, медицинского оборудования и многих других отраслей промышленности.
Благодаря команде экспертов, передовым производственным технологиям и строгой системе управления качеством, ZZ занимает лидирующие позиции в области исследований и разработок опорно-поворотных подшипников, а т.ч. на заказ, которые отличаются рациональной конструкцией, небольшим весом, хорошей грузоподъемностью и универсальностью. Диаметр подшипников варьируется от 200 до 15 000 мм, а точность соответствует классам P0, P6 и P5. На сегодняшний день ZZ может производить продукцию, сертифицированную по стандартам CCS, ABS, BV, GL и др.
В бизнесе ZZ придерживается принципа “Качество и целостность”, мы предоставляем качественные подшипники и оказываем услуги клиентам по всему миру.










