Подшипник С Перекрестными Роликами, серия CRBTF
- Наружный диаметр: 43 мм ~ 73 мм
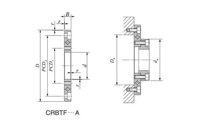
Подшипники с перекрестными роликами представляют собой компактные подшипники, в которых ролики расположены попеременно под прямым углом друг к другу между внутренним и наружным кольцами. Они могут выдерживать нагрузки с любых направлений одновременно - радиальные, осевые и моментные нагрузки. Ролики имеют линейный контакт с поверхностями дорожек качения, обеспечивая небольшую упругую деформацию из-за нагрузок на подшипники. Эти подшипники широко используются во вращающихся частях промышленных роботов, станков, медицинского оборудования и т. д., где требуются компактность, высокая жесткость и высокая точность вращения.
ZZ — профессиональный производитель опорно-поворотных подшипников, мы разрабатываем и производим опорно-поворотные кольцевые подшипники, прецизионные подшипники, поворотные приводы и специальные подшипники для строительного, иженерного, горно-шахтного, судового оборудования, химической аппаратуры, военной техники, ветряных турбин, медицинского оборудования и многих других отраслей промышленности.
Благодаря команде экспертов, передовым производственным технологиям и строгой системе управления качеством, ZZ занимает лидирующие позиции в области исследований и разработок опорно-поворотных подшипников, а т.ч. на заказ, которые отличаются рациональной конструкцией, небольшим весом, хорошей грузоподъемностью и универсальностью. Диаметр подшипников варьируется от 200 до 15 000 мм, а точность соответствует классам P0, P6 и P5. На сегодняшний день ZZ может производить продукцию, сертифицированную по стандартам CCS, ABS, BV, GL и др.
В бизнесе ZZ придерживается принципа “Качество и целостность”, мы предоставляем качественные подшипники и оказываем услуги клиентам по всему миру.
Схожая продукция
- Перекрёстный роликовый подшипник серии JRA
- Перекрёстный роликовый подшипник серии JRB
- Перекрёстный роликовый подшипник серии JRE
- Перекрёстный роликовый подшипник серии JRU
- Перекрёстный роликовый подшипник серии JXSU
- Подшипник С Перекрестными Роликами, серия CRBH
- Подшипник С Перекрестными Роликами, серия CRBTF









