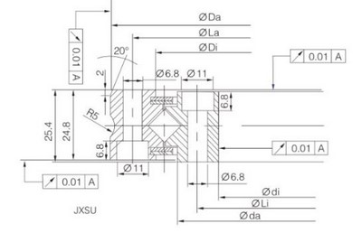
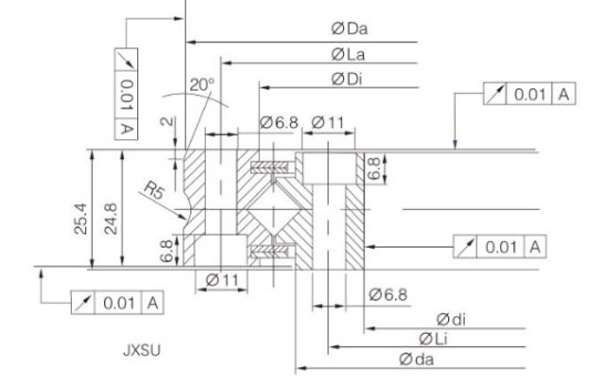
Rodamiento de rodillos cruzados, serie JXSU
- Diámetro exterior: 205mm~435mm
- Carga nominal: 65KN~580kN
En comparación con el rodamiento de rodillos cruzados de la serie JRU, aunque tiene la misma construcción de paredes delgadas, el rodamiento de rodillos cruzados de la serie JXSU tiene un tamaño más compacto (diámetro exterior: 205 mm-435 mm) y una mayor precisión de funcionamiento (P5, P4, P2) y es ideal para aplicaciones que requieren un espacio de instalación limitado y alta precisión.
Tags
ZZ es un fabricante profesional de coronas de orientación, así que podemos diseñar y fabricar coronas de orientación, rodamientos de súper precisión, módulos de giro y rodamientos personalizados para la construcción, ingeniería, minería, marina, química, militar, turbinas eólicas, equipos médicos y muchas otras industrias.
En virtud del equipo de expertos, las tecnologías de fabricación avanzadas y el estricto sistema de gestión de calidad, ZZ toma la delantera en la investigación y desarrollo de coronas de orientación, que están diseñados con una construcción razonable, peso ligero, buena capacidad de carga y alta versatilidad. Los diámetros de los rodamientos oscilan entre 200 y 15000mm y la precisión cubre las clases PO, P6 y P5. Ahora, podemos fabricar CCS, ABS, BV, GL y otros rodamientos certificados.
Productos relacionados
- Rodamiento de rodillos cruzados, serie JRA
- Rodamiento de rodillos cruzados, serie JRB
- Rodamiento de rodillos cruzados, serie JRE
- Rodamiento de rodillos cruzados, serie JRU
- Rodamiento de rodillos cruzados, serie JXSU
- Rodamiento de rodillos cruzados, serie CRBH
- Rodamiento de rodillos cruzados, serie CRBTF










