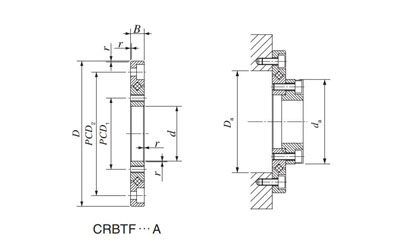
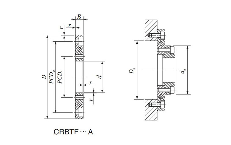
Rodamiento de rodillos cruzados, serie CRBTF
- Diámetro exterior: 43mm~73mm
Los rodamientos de rodillos cruzados son rodamientos compactos con sus rodillos cruzados alternativamente en ángulo recto entre los aros interior y exterior. Pueden manejar cargas desde cualquier dirección al mismo tiempo, como cargas radiales, de empuje y de momento. Los rodillos entran en contacto con las superficies de la rodadura, lo que garantiza una pequeña deformación elástica debido a las cargas de los rodamientos. Estos rodamientos son ampliamente utilizados en las piezas giratorias de robots industriales, máquinas herramienta, equipos médicos, etc., que requieren compacidad, alta rigidez y alta precisión de rotación.
Tags
ZZ es un fabricante profesional de coronas de orientación, así que podemos diseñar y fabricar coronas de orientación, rodamientos de súper precisión, módulos de giro y rodamientos personalizados para la construcción, ingeniería, minería, marina, química, militar, turbinas eólicas, equipos médicos y muchas otras industrias.
En virtud del equipo de expertos, las tecnologías de fabricación avanzadas y el estricto sistema de gestión de calidad, ZZ toma la delantera en la investigación y desarrollo de coronas de orientación, que están diseñados con una construcción razonable, peso ligero, buena capacidad de carga y alta versatilidad. Los diámetros de los rodamientos oscilan entre 200 y 15000mm y la precisión cubre las clases PO, P6 y P5. Ahora, podemos fabricar CCS, ABS, BV, GL y otros rodamientos certificados.
Productos relacionados
- Rodamiento de rodillos cruzados, serie JRA
- Rodamiento de rodillos cruzados, serie JRB
- Rodamiento de rodillos cruzados, serie JRE
- Rodamiento de rodillos cruzados, serie JRU
- Rodamiento de rodillos cruzados, serie JXSU
- Rodamiento de rodillos cruzados, serie CRBH
- Rodamiento de rodillos cruzados, serie CRBTF









