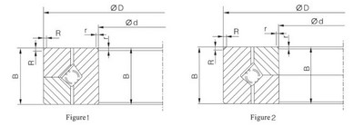
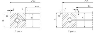
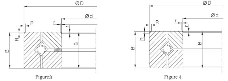
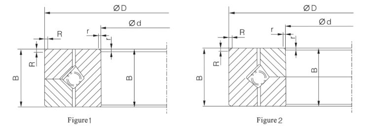
Rodamiento de rodillos cónicos cruzados
- Diámetro exterior: 230mm~2819.4mm
- Carga nominal: 95kN~18200kN
El rodamiento de rodillos cónicos cruzados cuenta con una construcción cónica para mejorar la velocidad de rotación y reducir la fricción durante la operación.
AplicaciónLos rodamientos de rodillos cónicos cruzados se utilizan normalmente en soluciones de rodamientos en las que es necesario reducir el centro de masa de rotación y mejorar la velocidad de rotación en aplicaciones, incluido el centro de mecanizado de precisión, la rectificadora vertical, la amoladora plana rotativa, la mesa de indexación giratoria, el torno vertical, la máquina talladora de engranajes, el torno de torreta, el radiotelescopio, el robot industrial, etc.
Tags
ZZ es un fabricante profesional de coronas de orientación, así que podemos diseñar y fabricar coronas de orientación, rodamientos de súper precisión, módulos de giro y rodamientos personalizados para la construcción, ingeniería, minería, marina, química, militar, turbinas eólicas, equipos médicos y muchas otras industrias.
En virtud del equipo de expertos, las tecnologías de fabricación avanzadas y el estricto sistema de gestión de calidad, ZZ toma la delantera en la investigación y desarrollo de coronas de orientación, que están diseñados con una construcción razonable, peso ligero, buena capacidad de carga y alta versatilidad. Los diámetros de los rodamientos oscilan entre 200 y 15000mm y la precisión cubre las clases PO, P6 y P5. Ahora, podemos fabricar CCS, ABS, BV, GL y otros rodamientos certificados.










