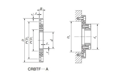
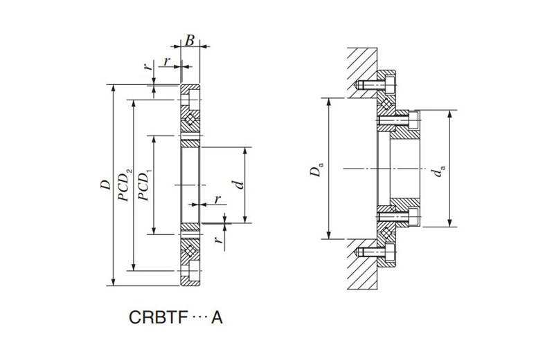
CRBTF Seri Çapraz Makaralı Rulman
- Dış Çap: 43mm~73mm
Çapraz Makaralı Rulmanlar compact Rulmanlar ile Onların Makaralı alternately Çapraz de right angles Onun Diğer Arasında İç ve Dış Halkalar. Onlar yapabilir handle Yükler Herhangi directions de Aynı Zaman Gibi Gibi Radyal, thrust ve moment Yükler. Makaralı Yapmak line-İletişim ile raceway surfaces, ensuring Küçük elastic deformation due Rulman Yükler. Bunlar Rulmanlar Geniş Kullandı rotating Parçalar Endüstriyel robots, Makine tools, medical Ekipman, etc., Hangisi require compactness, Yüksek rigidity ve Yüksek rotational accuracy.
Tags
ZZ bir profesyonel üretici Döner Rulmanlar ve Biz yapabilir design ve manufacture Döner Halka Rulmanlar, Hassas Rulmanlar, Döner Sürücüler ve Özel Rulmanlar için construction, engineering, mining, marine, chemical, military, Rüzgar Türbini, medical Ekipman, ve birçok Diğer Endüstriler.
tarafından virtue uzmanlık ekip, Gelişmiş Üretim Teknolojiler ve sıkı Kalite management system, ZZ takes lead Araştırma ve Geliştirme Döner Rulmanlar, Hangisi designed ile reasonable construction, Hafif Ağırlık, iyi Yük carrying Kapasite ve Yüksek versatility. Rulmanlar’ diameters Seri 200 15000mm ve accuracy covers PO, P6 ve P5 class. Şimdi, Biz yapabilir manufacture CCS, ABS, BV, GL ve Diğer certified Rulmanlar.
Biz adhere business principle “Kalite ve Integrity” ve Biz’ll Tutmak sağlama outstanding Rulmanlar ve superior Hizmetler serve Küresel Müşteri.
Related Ürünler
- JRA Seri Çapraz Makaralı Rulman
- JRB Seri Çapraz Makaralı Rulman
- JRE Seri Çapraz Makaralı Rulman
- JRU Seri Çapraz Makaralı Rulman
- JXSU Seri Çapraz Makaralı Rulman
- CRBH Seri Çapraz Makaralı Rulman
- CRBTF Seri Çapraz Makaralı Rulman









