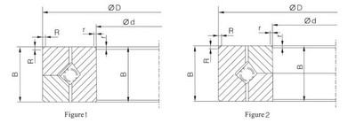
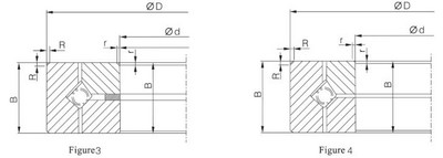
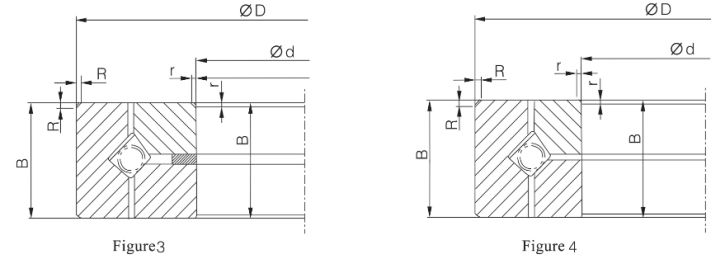
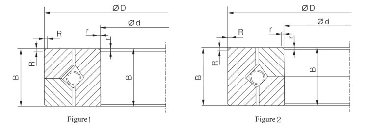
Çapraz Konik Makaralı Rulman
- Dış Çap: 230mm~2819.4mm
- Nominal Yük: 95kN~18200kN
Çapraz Konik Makaralı Rulman Özellik bir cone construction improve rotation Hız ve reduce friction Sırasında operation.
UygulamaÇapraz Konik Makaralı Rulmanlar typically Kullandı Rulman Çözümler Nerede Orada bir İhtiyaç lower rotational center mass ve improve rotational Hız Uygulamalar, dahil Hassas machining center, vertical grinder, Döner flat grinder, Döner indexing Tablo, vertical lathe, Dişli hobbing Makine, turret lathe, radio telescope, Endüstriyel robot, etc.
Tags
ZZ bir profesyonel üretici Döner Rulmanlar ve Biz yapabilir design ve manufacture Döner Halka Rulmanlar, Hassas Rulmanlar, Döner Sürücüler ve Özel Rulmanlar için construction, engineering, mining, marine, chemical, military, Rüzgar Türbini, medical Ekipman, ve birçok Diğer Endüstriler.
tarafından virtue uzmanlık ekip, Gelişmiş Üretim Teknolojiler ve sıkı Kalite management system, ZZ takes lead Araştırma ve Geliştirme Döner Rulmanlar, Hangisi designed ile reasonable construction, Hafif Ağırlık, iyi Yük carrying Kapasite ve Yüksek versatility. Rulmanlar’ diameters Seri 200 15000mm ve accuracy covers PO, P6 ve P5 class. Şimdi, Biz yapabilir manufacture CCS, ABS, BV, GL ve Diğer certified Rulmanlar.
Biz adhere business principle “Kalite ve Integrity” ve Biz’ll Tutmak sağlama outstanding Rulmanlar ve superior Hizmetler serve Küresel Müşteri.










