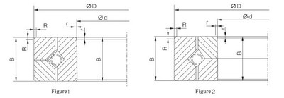
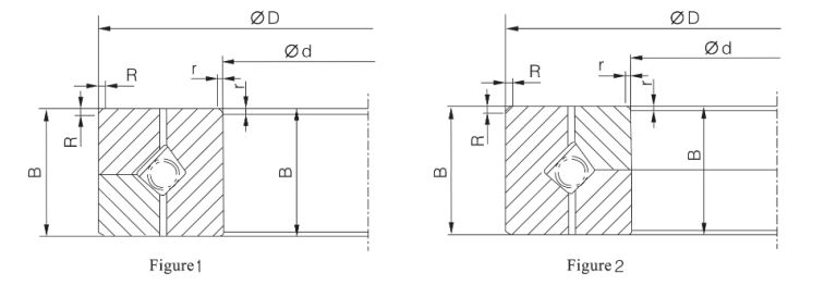
Crossed Tapered Roller Bearing
- Outer diameter: 230mm~2819.4mm
- Rated load: 95kN~18200kN
The crossed tapered roller bearing feature a cone construction to improve the rotation speed and reduce friction during operation.
ApplicationCrossed tapered roller bearings are typically used in bearing solutions where there is a need to lower the rotational center of mass and improve the rotational speed in applications, including precision machining center, vertical grinder, rotary flat grinder, rotary indexing table, vertical lathe, gear hobbing machine, turret lathe, radio telescope, industrial robot, etc.
Tags
ZZ is a professional manufacturer of slewing bearings and we can design and manufacture slew ring bearings, precision bearings, slew drives and custom bearings for construction, engineering, mining, marine, chemical, military, wind turbine, medical equipment, and many other industries.
By virtue of expertise team, advanced manufacturing technologies and strict quality management system, ZZ takes the lead in the R&D of slewing bearings, which are designed with reasonable construction, light weight, good load carrying capacity and high versatility. The bearings’ diameters range from 200 to 15000mm and the accuracy covers PO, P6 and P5 class. Now, we can manufacture CCS, ABS, BV, GL and other certified bearings.
We adhere to the business principle of “Quality and Integrity” and we’ll keep providing outstanding bearings and superior services to serve global customer.










