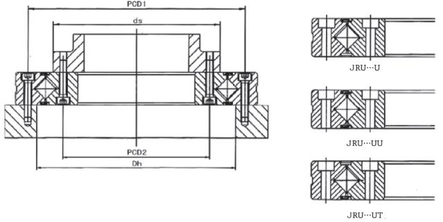
JRU Serie Kreuzrollenlager
- Außendurchmesser: 52mm~540mm
- Nennlast: 2.43kN~473kN
JRU Serie Kreuzrollenlager mit einem intergierten Innenring und integriertem Außenring haben Montagelöcher für stabile Installation. Durch die Innen- und Außenringe werden Stoßkräfte ausgeglichen und die Lager arbeiten besonders präzise (P0, P6, P5, P4, P2) und mit gleichmäßigen Drehmomenten (P5, P4, P2). Diese Serie von Kreuzrollenlagern eignet sich für Anwendungen, bei denen Innen- und Außenring rotieren müssen.
Tags
ZZ ist ein professioneller Hersteller von Drehverbindungen. Wir führen Design und Produktion komplett selbst durch und Sie erhalten bei uns z.B. Drehverbindungen, Präzisionslager, Schwenkantriebe und Rollenlager für Baumaschinen, Maschinenbau, Bergbau, Marine, Chemie, Militär, Windturbinen, Medizinprodukte und viele andere.
Ein erfahrenes Team, fortschrittliche Produktionstechnologien und strenge Qualitätsprüfungen haben ZZ eine führende Position in Forschung und Entwicklung von Drehverbindungen. Wir stellen mittlerweile alle unsere Drehverbindungen nach CCS, ABS, BV, GL und anderen Zertifizierungsstandards her.
Wir stellen Integrität“ an erste Stelle und bieten unseren internationalen Kund*innen herausragende Qualität und besten Service. Unsere Drehverbindungen sind leicht, belastbar und vielseitig. Sie sind mit Durchmessern zwischen 200mm und 15000mm und mit Präzisionen von P0, P6 und P5 erhältlich.
Betreffende Produkte
- JRA Serie Kreuzrollenlager
- JRB Serie Kreuzrollenlager
- JRE Serie Kreuzrollenlager
- JRU Serie Kreuzrollenlager
- JXSU Serie Kreuzrollenlager
- CRBH Serie Rollendrehverbindungen, Kreuzzylinder
- CRBTF Serie Rollendrehverbindungen, Kreuzzylinder











